可再生能源太阳能发电可分为太阳能光发电(又称光伏)和太阳能热发电两大类,后者由于技术比较复杂,只能用于比较大的容量,应用受到一定限制,所以目前实际应用较少。太阳能光发电具有取之不尽,用之不竭,无污染等诸多优点,已成为人类寻求新能源的热点。但同时又存在应用间歇性,发电量与气候条件有关的缺点。因此,为提高太阳能电池的利用率,实时监控发电量是很有必要的,可以及早发现太阳能电池工作中出现的异常情况。这里提出了一种太阳能电池发电量实时监控系统的设计方案。系统利用AT89S52单片机控制,采用霍尔电流传感器对太阳能电池的输出电流测量,其突出优点是可以在几乎不消耗能量情况下,将电流转换为电压进行测量。
1 系统硬件设计
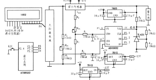
系统硬件电路如图1所示,主要由太阳能电池组、霍尔电流传感器组成的,I/U转换电路、液晶1602组成的显示装置、AT89S52单片机构成的控制系统,以及铅酸蓄电池构成的储能系统5部分组成。其工作过程:太阳能电池接收光照时,产生电流,对蓄电池充电,单片机通过稳压装置由蓄电池提供驱动电压,对太阳能电池产生的电量进行实时信号采集。由于单片机只能接收电压信号,所以在信号接收前由I/U、U/U转换模块将信号调至合适的电压。经内部运算处理,结果送1602液晶显示装置显示电池发电量。

1.1 A/D转换模块
当模拟信号输入单片机后需要转换为数字信号,由于需要同时测量太阳能电池输出电压和电流,故采用ADC0832是8位串行双通道A/D转换器,A/D转换精度要依赖于有高稳定度的基准参考电压,参考电压设定为5 V,由TL431产生。模拟信号经过RC滤波送入AD输入端,然后进行模数转换后串行输出。
1.2 I/U转换模块
因单片机I/O接口只能接收0~5 V的电压信号,实时采集太阳能电池输出电流需要将电流信号转换为电压信号,由于本系统是光伏发电系统的辅助设备,尽可能降低能量消耗是首要问题。由此霍尔电流传感器成为首选,根据霍尔效应原理进行工作,可在几乎不消耗能量的情况下将电流信号转换为电压信号。本系统采用TBCl0SY型霍尔电流传感器,额定输出电压为(±4±0.5%)V,±15 V双电源供电,测量电流范围为O~15 A,基本满足小型离网光伏系统的应用。
1.3 电源设计
单片机正常运行需要为片内的晶体管或场效应管供给电源,使其工作在相应状态。AT89S52需要一个5 V电源(实际工作电压为3.6~6.0 V)。可用整流、稳压方式供电,获得4.5 V左右的电压,因本系统为独立发电,且长期使用,考虑到电源寿命,该装置由市电或干电池提供驱动电源不符合实际,所以最佳方案应该由系统内部太阳能电池的蓄电池供电,经稳压集成块7805稳压为5 V,输入单片机Vcc引脚,驱动单片机及液晶显示装置。TBCl0SY霍尔电流传感器,需±15 V双电源供电,同样采用系统内的蓄电池供电.经稳压集成块7805、7915稳压在±15 V,从而驱动其工作。
评论表单加载中...